高溫過濾材料技術與工程應用
1、水泥工業大氣污染物排放標準全面實面實施
隨著人們環保意識的增強,國家在環保法規方面對工業生產提出了越來越高的要求。就水泥工業而言,GB4915-2004對水泥制造過程中的最高允許排放濃度做出了規定,并且于2010年1月1日起全面實施,詳見表1。同時還規定,對生產系統禁止非正常排放;除塵裝置對于水泥窯通風機的年同步運轉率不得小于99%;對現有的所有水泥生產線主要排塵點實行在線監測。
表1 水泥工業大氣污染物排放標準GB4915-2004
|
2、袋式除塵技術代表除塵技術的發展方向
2.1 電、袋除塵技術效果比較
表2 電、袋除塵技術效果比較表
|
表2是一個電、袋除塵技術效果的比較表。從出口排放看,袋除塵器只需選用高性能濾料和適宜的過濾風速,可實現“趨零排放”,而電除塵器要達標排放需提高單位電暈功率或增加電場,很難實現“趨零排放”。粉塵比電阻對袋除塵器沒有影響,而對電除塵器來說,高比電阻粉塵難以撲集,且易產生反電暈現象。煙氣溫度對袋除塵器來說,取決于濾袋的耐溫性能,使用玻璃纖維覆膜濾料可以在260℃長期使用,而對電除塵器來說溫度上升,粉塵層擊穿電壓下降,煙氣運動黏度上升,除塵效率下降。袋除塵器可與工藝設備同步運行,而電除塵器窯點火時不同步,而新標準規定年同步運轉率不得小于99%。袋除塵器可在線檢修,無事故排放,而電除塵器不可在線檢修,在CO超標或絕緣子結露爬電等情況下會產生事故排放。所以比較的結果是:袋除塵器出口排放更優,可與工藝設備同步運行,可在線檢修,無事故排放,優勢明顯。
2.2 投資、維護費用比較
投資和維護費用是業主非常關心的,這主要取決于過濾材料的價格(初投資)與壽命(維護費)。按過去50mg/Nm3的標準,采用進口濾袋,電除塵器和袋除塵器的一次性投資相當,若采用國產濾袋將節省約200萬元投資。若按嚴格的30mg/Nm3甚至更嚴格標準,采用國產濾袋,完全可以達到,袋式除塵器在一次性投資方面的優勢非常明顯。電除塵器和袋除塵器的用電比較見表3。
表3 2500t/d水泥窯尾除塵器綜合功率比較表 單位kw
|
綜上所述,無論從除塵效果、一次性投資和運行費用等方面比較,都表明,袋式除塵技術代表除塵技術的發展方向。目前我國水泥企業除塵的現狀是,窯頭主要用電除塵器,約占68~70%,窯尾主要用袋除塵器,約占63~68%。與前幾年相比,袋除塵的比例有了顯著的提高就是明顯的例證。
3、高溫過濾材料生產技術
3.1 玻璃纖維過濾材料的發展歷程
玻璃纖維過濾材料的發展,經歷了連續玻璃纖維平幅過濾布、玻璃纖維膨體紗過濾布、玻璃纖維針刺氈/復合氈和玻璃纖維覆膜濾料等發展階段,其過濾機理已從“深層過濾”發展到了“表面過濾” ,適用的過濾風速和可達到的除塵效率也不斷提高,詳見表4。
表4 玻璃纖維過濾材料的發展歷程
|
3.2 高溫過濾材料生產核心技術
玻璃纖維覆膜濾料的生產工藝流程見圖1。其核心技術是覆膜、處理、制膜和制氈。具體介紹如下。
![]() 圖1 玻璃纖維覆膜濾料的生產工藝流程圖 |
3.2.1表面處理與高溫熱融覆膜技術
高溫熱融覆膜技術是先對玻纖進行表面化學處理,再進行高溫熱融覆膜,圖2是覆膜原理圖。
![]() 圖2 高溫熱融覆膜原理圖 |
表面處理技術的核心是處理劑配方技術。是以聚四氟乙烯為主,再引入其他組份形成配合料,對玻璃纖維浸漬,在其表面成膜,達到保護纖維的作用。先在玻纖的表面通過化學處理形成了一層富含聚四氟乙烯的表面層,再與聚四氟乙烯濾膜通過高溫高壓融合成一體,形成覆膜濾料,詳見圖3,黑色部份就是膜和布的交織點通過覆膜融成了一體,而其白色部份就是起過濾作用的膜。
![]() 圖3 熱融覆膜效果圖 |
目前市場上還有一種覆膜技術是粘結劑覆膜,這種覆膜產品,布和膜結合強度低,膜浮在布的表面,使用效果沒保障,詳見圖4。
![]() 圖4 粘結劑覆膜效果圖 |
目前濾料市場上有所謂的PTFE滲膜、PTFE鍍膜,實質上就是前面所說的表面化學處理,是在纖維表面成膜,其作用是保護纖維,延長濾袋的使用壽命,對過濾本身沒有直接作用,與真正的覆膜有本質的區別。
3.2.2 膨化微孔聚四氟乙烯濾膜制備技術
膨化微孔聚四氟乙烯濾膜是由微絲節點組織成的立體網狀結構,其制備技術的核心是小孔徑、高強度。小孔徑是確保過濾精度,高強度是確保材料的使用壽命。
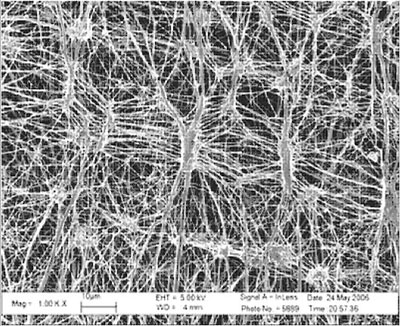
圖5是中材科技股份有限公司公司生產的濾膜的掃描電鏡照片。從圖中可以看出,濾膜的孔徑非常小,在1微米以下,這樣就確保了過濾精度。而目前市場上的覆膜濾料,膜的孔徑都比較大,達幾個微米,甚至更大。
![]() 圖5 濾膜SEM照片 |
復合針刺氈生產技術的核心是超細玻纖技術和纖維配方技術。復合針刺氈是超細玻纖和耐高溫化纖混雜,梳理成單纖維,再針刺到玻纖網布上制成的,玻纖越細,強度越高,越柔軟。
纖維配方技術主要是指耐高溫化學纖維品種選擇和配比多少。我們采用的是P84纖維,詳見圖6,這種纖維具有異型截面,比表面積大,過濾性能好,同時耐溫達260度,與玻纖耐溫匹配性好。
![]() 圖6 P84纖維斷面圖 |
目前市場上復合氈品種很多很亂,采用的化學纖維耐溫性差,但從外觀看不出來。我們是否有過這樣的經驗,在換袋的時候,發現濾袋緊緊的包裹在籠骨上,籠骨都抽不出來,這就是用了耐溫低的纖維,濾料收縮導致濾袋緊緊的裹在籠骨上了,只能用剪刀剪下來。
4、產品性能特點
水泥行業應用的高溫過濾材料產品有四大系列,分別是FT-WM系列玻纖布覆膜濾料、FT-MM系列復合氈覆膜濾料、FT-M系列復合氈濾料和FT-W系列膨體玻纖布濾料。主流過濾材料是覆膜濾料。
覆膜濾料有其獨特的優點, 1、過濾效率高,2、過濾阻力低,3、處理風量大,4、使用壽命長。這些優點都是來源于膜的結構。
覆膜濾料表面的這層膜,替代了傳統深層濾料的濾餅,過濾過程中,使粉塵不會滲入濾料內部或透過濾料,從而保證了濾料的潔凈性,這就是表面過濾。由于膜的微孔非常小,所以覆膜濾料具有過濾效率高的特性;由于粉塵不會滲入濾料內部,使濾料不會堵塞而增加阻力甚至失效,所以能保持濾袋運行阻力平穩,長期保持在低阻狀態下運行,具有過濾阻力低的特性;由于膜的存在,即便過濾風速提高,也能達到好的過濾效率,所以具有處理風量大的特性;由于表面膜非常光滑,使濾袋清灰容易,所以覆膜濾袋所需的清灰壓力低、清灰頻次少、間隔時間長,這樣對濾袋的損傷小,從而具有使用壽命長的特性。
4.1 玻纖布覆膜系列
玻纖布覆膜系列是經典成熟的玻璃纖維覆膜濾料品種,使用效果有保障,使用壽命可達5到6年。但對除塵器及運行維護要求極高。適合于水泥窯尾除塵。其性能指標見表5。
表5 玻纖布覆膜系列特性
|
4.2復合氈濾袋系列
綜合了玻璃纖維的耐高溫和化學纖維抱合能力強的優點,經雙面針刺,氈層密實。對收塵器及籠骨的精度要求相對較低,可降低除塵器成本。但使用后期阻力較大,使用壽命只能保證2年。適用于水泥窯尾和窯頭袋收塵器。其性能指標見表6。
表6 復合氈濾袋系列特性
|
4.3復合氈覆膜系列
克服了復合氈后期阻力大的缺點,具有“表面過濾”特性,且對收塵器及籠骨的精度要求相對較低,與我國目前除塵器水平適應性強。適用于水泥窯尾袋收塵器。其性能指標見表7。
表7 復合氈覆膜系列特性
|
5、應用情況
5.1覆膜濾料應用情況
中材科技股份有限公司覆膜濾料已廣泛應用于水泥、鋼鐵、炭黑、鐵合金等行業,其中新型干法水泥生產線68條。應用數量達412萬平方米。
推廣地區包括東北、西北、西南在內的全國24個省、自治區、自轄市,并出口巴西、伊拉克、哈薩克斯坦、越南等地。
5.2 項目產品使用效果
在某水泥有限公司日產2500噸水泥生產線應用,于2003年11月28日點火投產,出口排放濃度18mg/ Nm3,濾袋阻力在1200 Pa左右,目前使用狀況良好,使用壽命已近6年。
在某化學工業有限公司年產15000噸炭黑生產線應用,于2007年7月1日開始運行,系統通風量由原來的13200 Nm3/h提高到14200 Nm3/h,除塵室壓差也由原來的3400 Pa降低到840Pa(原壓差的1/4),起到了很好的示范作用。
項目產品使用效果已達國外同類產品先進水平,產品售價只有進口產品的60%,產品性價比高。在水泥行業應用,節能減排、節省投資效果明顯,詳見表8。
表8 水泥窯尾應用能效
|
6、結語
袋式除塵及高溫過濾材料生產技術為我國節能減排、實現趨零排放提供了技術支撐;產品替代進口,對促進我國過濾材料行業和相關行業的技術進步具有重要意義。

使用微信“掃一掃”功能添加“谷騰環保網”