HOLLiAS MACS系統在杭州綠能垃圾發電工程中的應用
一、垃圾爐概述
城市垃圾焚燒(發電)法是世界上許多先進國家和地區最常采用的方法,焚燒已成為垃圾處理的主要手段,瑞士垃圾焚燒率為80%,日本、丹麥垃圾焚燒率在70%以上。1987年,在深圳建成了我國第一座工業化垃圾焚燒發電廠,日處理城市生活垃圾300噸,發電機裝機容量3000千瓦。隨著垃圾焚燒技術的不斷發展,近年來,北京、上海、廣州、杭州等城市也開始建工業化垃圾焚燒發電廠。
與其它處理城市垃圾的方法相比,垃圾焚燒方法具有占地少、可回收能源等優點。但是,如果燃燒處理不當,也將釋放出多種可能會導致胎兒崎形與數種癌癥的有害物質,灰燼中的有毒有害物質就更多了,如達到危險濃度的鉛、鎘等重金屬等。
因此,焚燒最重要的就是使煙氣及固體廢料-飛灰和殘渣盡可能地完全燃盡,以便垃圾中的有機成分被徹底破壞,不再產生新的有害成分如二惡英和呋喃。同時,通過適當的措施(如分段燃燒)使氮氧化物的濃度很低,粉塵量盡可能減少。燃燒控制的目的是保證熱量在爐排的整個長度和寬度上盡可能均勻釋放,盡可能少的形成污染物,使廢氣和殘渣全部燃盡。
二、杭州綠能垃圾發電工程規模及工藝
杭州綠能垃圾發電工程規模,一期工程配3臺杭州鍋爐廠生產的150t/d垃圾焚燒爐、3臺15t/h余熱鍋爐及3套尾氣處理系統,配套1臺杭州汽輪機廠生產的7.5MW凝汽式汽輪發電機組,除氧系統,循環水系統,綜合水系統以及岸邊取水泵房等。日處理垃圾能力達450t/d。
整個工程垃圾焚燒系統工藝單元包括:
• 垃圾計量系統
• 垃圾卸料及貯存系統
• 垃圾給料系統
• 垃圾焚燒系統
• 余熱利用系統
• 煙氣凈化和排放系統
• 灰渣處理系統
• 水處理或回用系統
• 煙氣排放在線監測系統
• 垃圾焚燒自動控制系統
垃圾焚燒工藝流程參見下圖:
![]() |
電動門及電動機控制要求:
1.電動門控制:當DCS發出開閥信號后,畫面中“閥開”指示以閃光表示,直至收到“閥已開”信號后轉平光,關閥亦同。并要求在開/關閥門 DO信號輸出后,XX秒后如沒有收到閥門開/關的反饋 DI信號, 即給出報警提示。XX秒為全行程時間,不同的電動門應在現場做整定。
2.電動機控制:
DCS可手/自動控制電動機的啟停,監視電機的運行。
每臺鍋爐有1臺鼓風機、1臺引風機,均采用變頻調節,2臺渣坑排水泵,2臺垃圾滲濾液坑排水泵。
汽機系統有1臺高壓啟動油泵、1臺直流潤滑油泵,1臺盤車電機、2臺疏水泵,2臺凝結水泵。
除氧給水系統有 4臺給水泵等。
循環水系統有3臺循環水泵(主要由主控室控制)和2臺冷卻塔風機。
綜合水泵房有工業給水泵2臺,2臺消防給水泵,1臺反沖洗水泵,1臺生活用水自動給水設備和2臺排水泵等。
岸邊水泵房有2臺原水取水泵和2臺排水泵。
三、項目控制規模
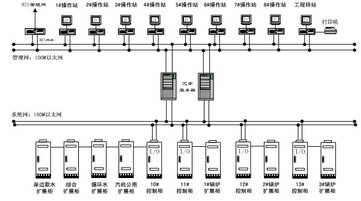
杭州綠能垃圾發電工程控制部分的設計為DCS系統,采用北京和利時系統工程股份有限公司生產的現場總線控制技術的開放性系統--HOLLiAS-MACS。該系統根據項目規模及特點,共配置雙冗余服務器2臺,現場控制站4臺,擴展站及遠程站7臺,工程師站1臺,操作員站9臺,配置了1臺A3激光黑白網絡打印機以及1臺A3彩色噴墨網絡打印機用于報表打印和趨勢頁面打印等。在日常運行中,6臺操作員站分別對1#、2#、3#焚燒爐和余熱鍋爐、尾氣處理系統進行操作,1臺汽機操作站,1臺公用系統操作站和1臺站在綜合控制摟會議室作演示監視站。
本項目設計的 DCS系統用于集中控制機-爐-電動機,不設后備手操調節儀表。鍋爐輔助盤BAP裝設了3臺鍋爐的汽包水位電接點表并且裝設緊急停爐按鈕,汽機輔助盤TAP裝設了除氧水箱水位電接點表并且裝設緊急停機按鈕。為滿足機組安全可靠運行, HOLLiAS-MACS系統采用了多項冗余控制技術,控制器冗余,通迅網絡冗余,電源冗余等。各操作站互為備份,8臺操作站中任一臺都可以監控所有工藝參數,當操作站故障時,不影響控制器正常工作。
HOLLiAS MACS系統詳細配置圖參見下圖:
![]() |
DCS的輸入/輸出清單。
AI(4-20mA信號):168
TC:59
RTD:37
AO: 96
DI: 621,分為常開 NO,常閉 NC。
DO: 329,其中控制啟停電動機的 DO有常開NO和常閉NC之分,也有脈沖型和持久型之分,觸點閉合時間 0-2S可調。電動機的二次控制回路為 220VAC和220VDC,DCS負責 DO信號的觸點容量不同。
四、MCS控制方案
根據該項目的工藝要求,對系統的控制方案進行了編制。
焚燒爐及余熱爐部分MCS控制方案:
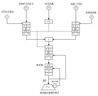
• 引風機變頻調節
一次風量指令在進行處理時,需要考慮燃料的特性及負荷變化情況,燃料不同時,助燃空氣量會有所不同。負荷不同一次風量占總風量的比例也會發生變化,同時,如果床溫偏高,增加一次風量;如果床溫偏低,則減小一次風量。當床溫偏高,增加了一次風量,則總風量相應增加,總風量調節回路輸出減小,則一次風、二次風指令減小,最后達到平衡時,一次風增加,二次風減小,從而達到調節床溫的目的。下圖為鼓風機變頻調節的控制方案,其它MCS方案不再贅述。
![]() |
鼓風機變頻MCS調節
• 引風機變頻調節
• 一次分風門擋板控制
• 二次風門擋板控制
• 汽包水位調節
• 二級噴水減溫調節
• 一級噴水減溫調節
• 煙氣空氣預熱器出口溫度調節
• 給料器速度調節
• 爐排速度調節
• 熔渣滾筒速度調節
• 推灰器速度調節
汽機部分MCS控制方案:
• 料斗門控制
• 熱井液位調節
公用部分MCS控制方案:
• 除氧器頭汽相壓力調節
• 除氧器水箱水位調節
• 減溫減壓器出口蒸汽溫度調節
• 減溫減壓器出口蒸汽壓力調節
五、SCS控制方案
• 焚燒爐及余熱爐
汽包水位(以鍋筒中心以下50mm處為正常水位)≥+50mm報警,≤-50報警,≥+75mm停爐,≤-75停爐
引風機跳閘時,以及手動停爐時,停全部送風和給料。
送風機跳閘時,停燃料供應。
啟動順序:引風機—鼓風機—爐排—給料器
停止順序:給料器-爐排—鼓風機—引風機
• 循環水泵房
冷卻塔冷卻水池液位HH≥1900mm報警,LL≤1500mm報警并停止開啟的循環水泵
• 汽機
當發生下列情況之一(不僅限于此)時,將發出跳機指令:
汽機軸承振動大;
軸向位移大;
差脹大;
推力瓦溫度高;
潤滑油壓力低;
凝汽器真空低;
汽機超速;
上述參數都是開關量輸入接點,來自于DAS、TSI、就地觸點型變送器和硬手動開關等。當以上參數中的任何一個超過規程限值時,DAS、TSI、各保護測量二次儀表等設備閉合這些接點,使ETS系統關閉汽輪機的進汽閥門,同時聯動相應的其他設備(如逆止門、發電機等),以保護設備和人身安全。
• 除氧給水
疏水泵出口母管壓力≤0.45MPa時啟動備用并報警
疏水箱液位(距箱頂)≥80%時自動開疏水泵并報警
疏水箱液位(距箱頂)≤20%時停疏水泵并報警
給水泵出口壓力≤6MPa時,啟動備用泵并報警
六、結束語
在杭州綠能環保工程股份有限公司相關各方的配合下,經過雙方工程技術人員的聯合調試,垃圾焚燒余熱鍋爐于2004年8月份陸續投運,經過運行,整套系統運行穩定、可靠,該項目的投運不僅使杭州綠能環保公司提高了經濟效益,更為杭州市垃圾處理作了積極的工作,提高了一定的社會效益。垃圾焚燒余熱鍋爐以其低溫分段燃燒技術、適應范圍廣、負荷調節范圍大、燃燒效率高等優點,正被越來越多地應用,隨著科技的進步和垃圾焚燒余熱鍋爐的成熟,垃圾焚燒發電技術將會更環保、更高效。

使用微信“掃一掃”功能添加“谷騰環保網”