高校校園供水方式的改造實踐
1 校園供水存在的問題
高校校園的供水和一般城市供水相比較為特殊。主要是由于校園內學生住宿區一般都較為集中,造成了學生宿舍、食堂的用水十分集中,且用水量較大。而其它建筑物如教室、實驗室、教師住宿區等的用水量則相對較少。同時,用水的時間性強,一般在早上6∶00~8∶00,中午11∶00~2∶00,下午5∶00~7∶00,晚上9∶00~10∶00四個時間段用水量最大,而其它時間則用水量一般。某高校的某區供水方式為:把城市自來水管網的水源取到蓄水池后,用水泵抽到校園內高位水池,再由高位水池向校園管網供水。隨著高校的擴招,學生人數顯著增多,造成了經常性的供水不足,特別是學生宿舍和食堂最為明顯,影響了學生和教師的正常生活秩序,同時該供水方式還存在如下問題:
(1)供水成本高。由于校園內的用水全部采用水泵供水,造成電能的極大浪費和機電設備的大量損耗。
(2)供水可靠性低。由于水泵采用人工操作方式,高位水池的水位只能靠人為估計,而且高位水池離水泵房較遠,無法做到準時開機和停機。會造成供水中斷或出現高位水池水位過高而溢流,電能和水資源造成浪費。另外,如果蓄水池水位過低,還會造成水泵空轉,導致電能浪費和機電設備的加速損耗。
(3)水資源浪費。除水泵不能準時停機而造成的溢流浪費外。學生因高峰期供水中斷,故經常打開閥門未關,造成來水后的浪費。很多學生在上課前或睡覺前打開閥門,用水桶或臉盆接水、貯水,造成來水后大量溢流,極大地浪費了水資源,增大了供水成本。
(4)校園管網系統設計有缺陷。對于一般建筑物,如教室、實驗室、教師住宿區等,本來城市自來水的正常供水即可滿足其用水量要求,但采用水泵供水后反而會出現供水不足的現象。同時,用水量大的學生宿舍屋頂水池設計偏小,調節能力較差。
2 改造思路
(1)校園供水以自來水供水為主,水泵供水為輔。由于自來水采用多廠聯合供水的方式,并設有大量的多級調節水池和加壓泵站,對水壓和水量的調節能力較強。且自來水對供電事故的應急能力較強,機電設備的備用率較高,特別是經過近幾年的管網改造,供水可靠性大大提高。因此,校園供水應充分利用自來水管網所提供的水壓,滿足校園供水中的大部分需要。針對用水量較大、用水集中、時間性強的學生宿舍和食堂,在用水高峰期會出現供水不足的情況。應在自來水正常供水的情況下,采用水泵供水作為輔助措施,發揮校園內蓄水池、高位水池和屋頂水池的貯水作用。這種供水方式既節約了大量電能,降低機電設備的損耗,獲得良好經濟效益,又提高了供水的可靠性,滿足校園的特殊供水需要。
(2)水泵供水采用自動控制方式。采用自動控制方式雖然會增加一些投資費用,但這部分費用與供水中的土建投資和機電設備投資相比是很小的。加上現在的自動控制裝置技術成熟,可靠性高,既減少了人為因素的影響,提高了水泵供水的可靠性和準確性,又可減輕工作人員的工作量,降低能耗和機電設備的損耗,獲得良好的經濟效益,特別是長期運行,效益更加顯著。對于自動控制裝置的投資,也將因節水節能而很快回收。
3 具體改造方案
3.1 對校園供水管網進行適當改造
該校園的高位水池地理位置較高,通過對該校園附近的自來水管網壓力進行多次實測,發現在自來水管網壓力最高時,也不會造成高位水池溢流。因此,在改造時設置一條管路直接把城市供水管網和校園供水管網連接起來,并在管路上安裝質量較好的倒流防止器,只允許水流從城市管網流向校園管網,利用自來水自身的壓力向校園管網供水,滿足校園供水的大部分需要。而且當自來水管網壓力較高時(如深夜),還可實現各屋頂水池的貯水功能。對于高位水池,也能完成部分貯水任務,從而減少水泵的供水量,節約能耗,降低供水成本。如果在自來水管網壓力最高時,會造成高位水池溢流,則在上述管路改造的基礎上,還需在高位水池的出水干管上增加一個止回閥,只允許水從高位水池流出。并從城市管網上另引一路水管到高位水池,且用浮球閥控制其進水,以防止高位水池溢流。
3.2 水泵改為自動控制方式
在原有的水泵手動控制系統中,設有2臺水泵,1用1備,但水泵出水干管的口徑是按一臺水泵運行設計的。故在改造時不考慮兩臺水泵同時運行的情況,否則需對水泵出水干管進行增徑改造。又由于水泵功率較大,故原系統配有自耦減壓啟動器,以減小啟停時的沖擊。
根據原系統的實際情況,為實現水泵的自動控制,設置一套自動控制裝置,設置3個液位開關,其中2個安裝于高位水池,1個安裝于蓄水池。同時,為了加強水泵的故障判斷,以便及時修理,在水泵出水干管上設置一只電接點壓力表,根據水泵運行時其壓力是否達到預定值來判斷水泵是否出現故障。當然,更可靠的判斷方法是設置示流信號器,即根據水泵出水管路上的示流信號器是否動作來進行判斷,但示流信號器只能用于較小口徑的管路上,且安裝比較麻煩,而采用電接點壓力表的判斷方法既方便又可靠。另外,設置報警功能,并將報警信號遠送值班室,以便值班人員對報警情況及時掌握。這樣,根據水池水位、電接點壓力表的情況來實現水泵的自動控制。正常情況下,利用工作泵進行供水,當工作泵出現故障時,則利用備用泵進行供水,并由自動裝置對工作泵和備用泵進行自動切換,使設備得到均衡利用,這對延長設備使用壽命是很有好處的。其供水原理示意見圖1,圖1中的虛線部分為增加內容。
![]() |
圖1 供水原理
4 水泵自動控制系統
4.1 設備選擇與設計
水泵的控制過程為簡單的邏輯控制,開關量輸入輸出點數需求較少。如果采用繼電器控制方式來實現,則接線較為復雜,可靠性較低;如果采用通用可編程序控制器(PLC)來實現,則輸入輸出點數浪費較大,成本較高;如果采用西門子微型可編程序控制器LOGO!來實現,則既能滿足控制要求,又使成本相對較低,而且具有較高的可靠性,即性價比高,比較適合本系統。
LOGO!是西門子通用邏輯控制模塊,是一種微型PLC。它集編程、顯示、控制為一體,具有編程方便、抗干擾強、體積小巧、價位較低的突出優點。它具有多種功能,如與、或、非、與非、或非、異或、延時繼電器、脈沖觸發器、時鐘、RS觸發器、計時器、計數器、日歷觸發開關等。并有多種型號,以滿足輸入輸出點數、電壓等級、通訊等不同功能的需要。而且軟件編程十分簡便,可利用操作面板的LCD顯示屏和6個操作鍵對功能塊進行連接構成功能塊圖即可。同時,運行時可顯示輸入、輸出狀態、星期、時間等信息,也可隨時修改有關控制參數。可見,LOGO!和通用PLC相比,具有編程操作簡單、編程語言易學、成本較低、參數顯示和設置方便等優點,可應用于點數較少的邏輯控制場合,特別適合用在單機或小系統中。
根據水泵的控制要求及報警要求,控制器具體選為LOGO!230RCL,它具有12路開關量輸入(230VAC),8路繼電器輸出(230VAC,阻性10A,感性3A),采用230VAC供電。如果不設置報警功能,控制裝置選擇LOGO!230RC更適合,它具有6路開關量輸入,4 路繼電器輸出,其輸入輸出點數滿足要求。
由于自耦減壓啟動器使用380VAC的交流接觸器,而LOGO !230RCL輸出繼電器的電壓要求小于240 V,為此增設4只質量較好的中間繼電器,用于對電壓等級進行轉換,并取消原系統的中間繼電器和時間繼電器,由LOGO!直接完成整個減壓啟動的邏輯過程,以簡化接線,減少故障點,提高運行可靠性。液位開關和電接點壓力表要選擇質量較好的產品。另外,增設一只空氣開關,用于對LOGO!供電的保護,增設4顆紅色信號燈,用于報警顯示,增設1只點動復位按鈕,用于對水泵故障報警狀態進行復位。
![]() |
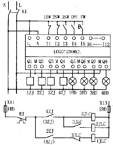
圖2 硬件接線原理
圖2為硬件接線原理圖,其中1SW為蓄水池低限水位,2SW為開泵水位,這兩個水位均采用常閉觸點。3SW為停泵水位,DYL為電接點壓力表輸出觸點,FW為水泵報警復位點動按鈕觸點,這三個觸點均采用常開觸點。這樣設置常開和常閉觸點,可使LOGO!的輸入在大部分工作時間內為無電壓狀態,只有短時間內會出現帶電狀態。中間繼電器1ZJ,2ZJ用于1#水泵,3ZJ,4ZJ用于2#水泵。報警指示燈1HD用于 1#水泵故障報警,2HD 用于2#水泵故障報警,3HD用于蓄水池水位過低報警,4HD 用于高位水池液位開關故障報警。1JLC為水泵正常運行接觸器,2JLC為減壓啟動接觸器,3JLC為星點接觸器。RJ為熱繼電器觸點,RD為熔斷器,K1為LOGO!電源的保護空氣開關。
4.2 軟件設計
根據水泵的自動控制改造方案及硬件配置情況,利用LOGO!的顯示屏和操作鍵,對功能塊進行連接,就可完成軟件編程,得到圖3所示的邏輯控制功能塊圖。
![]() |
圖3 邏輯控制功能塊示意
當高位水池的水位降到開泵水位后,工作泵啟動,如果工作泵故障,則備用泵啟動,當水位升到停泵水位后,水泵停止工作;當蓄水池水位降到低限水位以下時,報警指示燈3HD 點亮,同時禁止啟動水泵,對于此前已啟動的水泵,則立即停止,以防水泵因無水而空轉。當高位水池的液位開關出現邏輯錯誤時,即停泵水位顯示有水,而開泵水位顯示無水,則報警指示燈4HD點亮,同時禁止啟動水泵,對于此前已啟動的水泵,則立即停止,以防水泵因液位開關故障而誤動作。當水泵運行15 s(根據試驗確定)后,如果電接點壓力表觸點DYL 未閉合,即水泵壓力未達到預定值,則說明水泵抽水失敗,判斷為水泵故障。此時,把故障水泵退出運行,點亮報警指示 燈,并進行鎖定,直到修復后,由人工用復位按鈕FW進行復位,才能再次開啟水泵。水泵的減壓啟動邏輯過程為:LOGO!的輸出Q1(或Q3)閉合后,中間繼電器1ZJ(或3ZJ)閉合,使交流接觸器3JLC和2JLC閉合,并啟動軟件延時,延時10 s(根據自耦減壓啟動器要求設定)后,1ZJ(3ZJ)跳開,使 3JLC,2JLC退出運行,最后通過Q2(或Q4)使中間繼電器2ZJ(或4ZJ)閉合,啟動交流接觸器1JLC。工作泵和備用泵的自動切換功能是利用LOGO!230RCL的時鐘功能來實現的,即在周一凌晨零點至周四中午12點時間內,1#水泵為工作泵,2#水泵為備用泵,而在其它時間則反過來;當然,也可用運行時間計時器或日歷觸發開關來實現。另外,LOGO!的I1~I4輸入信號均采用軟件延時方式,延時時間為5 s,即要求信號要能保持5 s以上,才認為該輸入存在,以防液面波動、壓力脈動或其他原因引起的開關抖動而導致誤操作。
5 結語
在完成以上管路及水泵操作方式改造后,經過一年多的運行實踐效果明顯,在滿足供水要求的同時,供水可靠性得到了很大提高,而且節能、節水效果十分顯著。根據統計數據,運行一年來,水泵電耗降低了56%,供水量減少了23%。供水成本大大降低,獲得了良好的經濟效益,工作人員的工作量也得到了減輕。

使用微信“掃一掃”功能添加“谷騰環保網”