JBC型穿壁式攪拌機
![]() |
人氣:1657 發布時間:2011-08-03 14:48 關鍵詞:攪拌器 產品型號:JBC-2.2 應用領域:水處理 產品價格:面議 |
產品使用范圍:
JBC型穿壁式攪拌機是在潛水攪拌機生產技術基礎上開發的新型產品,適用于污水處理廠、工業流程中。攪拌含有懸浮物的液體;污水、廢水、污泥水的混合和均勻;稠化過程;污水脫水過程;傳熱優化;污水池清潔;防止顆粒在池壁和池底的凝結、沉淀;去除懸浮物;創建水流等。
使用條件:
本系列攪拌機可以在下列條件下正常連續運行
1. 連續運行時候,介質溫度不高于40℃;
2. 介質PH值為6-9;
3. 介質密度不超過1150hg/m3;
4. 葉輪長期潛水運行,潛水深度一般不超過20米;
如有特殊要求,請與本公司取得聯系。
型號表示方法:
產品特點:
1. 結構緊湊,體積小,重量輕,操作維護簡單、安裝方便快捷、使用壽命長;
2. 葉輪經優化設計,效率高,后掠式葉片具有自潔功能可防雜物纏繞、堵塞;
3. 與曝氣系統配合使用可使能耗大幅度降低,充氧量明顯提高,有效防止沉淀;
4. 電機繞組為F級絕緣,防護等級為IP55,選用一次潤滑免維護優質軸承;
5. 兩道機械密封。
主要性能參數:
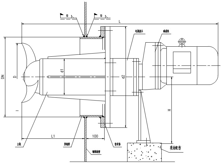
安裝示意圖
產品安裝尺寸
