油田采出廢水的強化混凝沉淀處理
中原油田是復雜斷塊油田,其采出廢水具有“四高一低”的特點:礦化度高[(4~15)×104mg/L]、游離CO2及HCO3-含量高(二者總量達300~1000mg/L)、某些金屬離子含量高(Ca2+、Mg2+總量達4000mg/L)、總鐵含量高(20~60mg/L)、硫酸鹽還原菌(SRB)含量高(105個/mL),pH值低(5.5~6.5)。這種廢水經重力除油、混凝沉淀、壓力過濾工藝處理后,實際出水水質不穩定,不能完全達到部頒標準,同時存在運行藥耗高、泥渣量大的問題。
![]() |
1 混凝沉淀工藝現狀
馬寨廢水處理站混凝沉淀罐結構如圖1所示。
![]() |
向經重力除油后的原水投加4種藥劑:調整pH值的A劑(石灰),混凝劑B劑(PAC)、絮凝調理劑C劑(活化硅酸)、D劑(PAM),調理之后的廢水沿反應筒的切線進入,混合38s后進入中心配水筒,停留時間為20min,完成礬花對水中細小懸浮顆粒的吸附之后流入斜板沉降區沉降。
原混凝工藝未設置旋流混合設備,在工程改造中增加了混合裝置,保證了所投藥劑和廢水的充分混合,但在進入中心筒后水的流速僅為0.006m/s,不能有效地保證礬花的碰撞(即在中心筒內只是形成礬花,是一種藥劑作用下的自發狀態,此時礬花僅隨水流穩步下移,對水中的懸浮態顆粒和破乳油的吸附只是停留在低剪切運動水平,小礬花也很難長大),顯然達不到工藝要求。
2 機理試驗
2.1 機理分析
油田采出廢水中含有大量懸浮物、膠體顆粒、乳化油,而pH值調節、壓縮雙電層、吸附架橋、破乳等工藝過程均是多相共存體系,其處理實質是藥劑擴散、微小絮體凝聚長大和大絮體的分離過程,而體系中物相碰撞的動力學致因是慣性效應。在水流方向上垂直布置小孔眼格網可強化顆粒碰撞的效果,產生并控制渦漩尺度和強度,具有以下幾種動力學作用:①由于離心慣性效應,顆粒沿徑向運動,在由原速度區向新速度區運動時,因速度差異而與新速度區內的顆粒發生碰撞合并;②渦漩內相鄰的速度層間產生滑移為層與層間的顆粒碰撞提供了條件;③水流湍動使得渦漩離開原位置,這為不同渦漩內的顆粒合并提供了條件;④由于過網水流的慣性作用,礬花產生強烈的變形,使礬花中處于吸附能級低的部位,由于其變形揉動作用達到高吸附能級的部位,使得通過網格之后的礬花變得密實。
2.2 試驗工藝
試驗工藝設備簡圖見圖2。
![]() |
試驗中加強了微渦漩、亞微觀傳質的動力學控制,高效利用各種藥劑并縮短了反應歷程;依靠小孔眼的網格生成渦漩,大幅增加高強度微渦漩,利用網格空間控制渦漩的強度和尺度,達到了最佳的混凝、絮凝狀態;沉淀工藝采用間距小、布水均勻的斜板,斜板傾角由60°改為66°,又因其無側向約束,因而排泥通暢。
2.3 檢測指標
依據《碎屑巖油藏注水水質推薦指標及分析方法》(SY/T 5329—94)中推薦的檢測指標(懸浮固體、油、pH值、溶解氧、總鐵、濾膜系數),選用721分光光度計、0.41μm的纖維素微孔膜、測氧管及測鐵管等檢測設備。
3 試驗結果
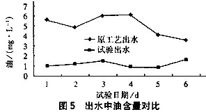
馬寨廢水處理站重力除油罐出水中含油為60~95mg/L,懸浮雜質為50~80mg/L,總鐵為8~15mg/L,顯然混凝沉淀對油和懸浮雜質的去除效果都要保證。圖3~5是試驗期間處理站原工藝和強化工藝出水水質的對比。
由圖3~5可明顯看出,強化工藝出水的各項指標較廢水處理站原工藝出水好,其懸浮雜質、油、總鐵的去除率分別可達到56%、98%、99%,而且由于總鐵大幅度減少,使得整個處理系統的出水在注水回用的過程中保持穩定,防止了二次污染的發生。
![]() |
![]() |
![]() |
![]() |
試驗中對混凝強化前后水體中礬花的沉淀性能進行了對比。前者取自水廠投藥后進入沉降罐前的原水,后者是經試驗設備反應4min的混合水,分別置于兩個250mL的量筒,靜沉時間和清晰泥面高度的關系如圖6所示。
圖6中強化后的混合水靜沉4min即進入臨界沉降點,10min左右懸浮物的壓縮比可達20%,與試驗現場靜沉2h的壓縮比(15%)基本一致,較水廠混合后水中礬花的沉淀性能提高,由此可明顯看出經過混凝強化,礬花的沉淀性能得到了實質性改善。
為充分利用混凝沉淀罐的水平截面積和提高產水量,根據淺池理論選用板間距為1.5cm的斜 板進行泥水分離試驗,結果表明水體在斜板間流速≤1.8mm/s時,出水的懸浮物含量≤35mg/L,完全符合進入濾池的水體懸浮物濃度要求(≤50mg/L),因此可將1.8 mm/s作為斜板負荷的設計參數,按此推算混凝沉淀罐經改造后處理水量可達8000m3/d,產水量提高了1倍。
由于混凝沉淀工藝對去除油、懸浮雜質的要求較高,因此投藥量相對較大,藥劑費成為制約廢水站經濟運行的瓶頸,而混凝沉淀的強化措施使得所投藥劑和水體充分混合、反應,在一定程度上減少了藥耗。強化工藝與原工藝投藥量及經濟分析的對比見表1。
|
另外,中原油田廢水的pH值較低,使廢水處理系統運行不穩,需要大量投加石灰來提高pH值才能減少不穩定因素的影響,據江漢石油學院作過的調查,投加600mg/L的石 灰將水體的pH值提高到8.0以上可使處理后的水質保持穩定。試驗中成功地將石灰投量大幅降低,泥渣量也減少了50%以上,對實際生產運行十分有利。
4 結論
① 慣性效應是多相物系中顆粒碰撞的動力學致因。
② 加強亞微觀傳質促使顆粒充分接觸、碰撞,節省藥耗;微小渦漩的離心慣性效應為顆粒碰撞凝聚提供了動力學條件。
③ 合理的動力學控制使反應歷程由20.0min縮短至4.0min。
④ 小間距斜板沉淀池負荷較常規工藝負荷提高1倍,出水水質穩定、不積泥。
⑤ 同原工藝相比,強化工藝可節省A劑10%,B劑20%,C劑30%,D劑40%,顯著節省運行成本。
⑥ 泥渣量較原工藝降低50%,具有較強的實用性,且大大改善了處理后水質,使沉淀池出水各項指標達到或接近油田回注水標準,減小了后續過濾工藝的負荷,經濟、社會效益顯著。

使用微信“掃一掃”功能添加“谷騰環保網”