電袋復合式除塵器改造的技術探討
摘 要:介紹許昌龍崗電廠#2機組電除塵器由原雙室四電場改為電袋復合式除塵器的技術特點、工作機理、改造后的效果等,針對該系統提出的設計更改,并對部分系統提出改進建議。
關鍵詞:電袋復合式除塵器 ;改造;探討
1. 前言
隨著經濟的快速發展,人民生活水平的日益提高,國家對大氣質量控制要求越來越嚴,同時也對除塵設備的性能及可靠性提出了更高的要求。我國工業使用的除塵器絕大多數達不到煙氣排放濃度50mg/Nm3 新環保標準,電袋復合式除塵器的研制與應用,是針對現實市場需求,開發的一種新型高效節能穩定的除塵技術。
許昌龍崗電廠#2機組于2001年12月投入商業運行,每臺鍋爐在裝兩臺福建龍凈環保設備廠生產的BE型臥式雙室四電場干式靜電除塵器。靜電除塵器灰斗下來的干灰經倉泵氣力輸送至粗灰庫及細灰庫,由專用的氣卸散裝粉煤灰罐車外運綜合利用或灰場;近年由于煤炭市場的變化,鍋爐燃煤變化較大,煤質急劇變差,直接影響鍋爐燃燒,同時增大設備磨損和電除塵器的除塵效果,并且由于灰量較大,容易引起電場斷路而跳閘,從而更不能保證除塵的效果,為此公司將#2機組電除塵改造作為2008年的重大技改項目,經過集團公司、分公司的審批于2008年#2機組大修時進行此項改造工作。
經過對多家除塵設備制造廠商進行技術對比和考察論證、招投標工作,公司最終采用了福建龍凈環保股份有限公司的FE型電袋復合式除塵器設計方案。
2.基本結構及原理
FE型電袋復合型除塵器是通過電除塵與布袋除塵有機結合的新型的高效除塵器。它充分發揮電除塵器和布袋除塵器各自的除塵優勢,以及兩者相結合產生新的性能優點,改善了進入袋區的煙塵工況條件,達到除塵效率穩定高效、濾袋阻力低使用壽命長、運行維護費用低、占地面積小等優點。
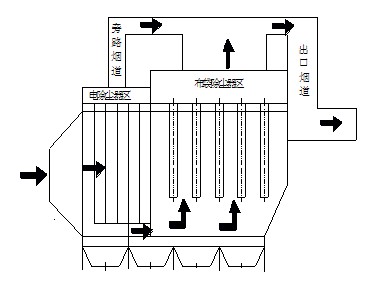
2.1電袋復合型除塵器的結構形式
![]() |
1.進氣煙箱 2. 灰斗 3.殼體 4 .收塵極 5.振打裝置 6.導流裝置 7. 濾袋 8.清灰系統 9. 凈氣室 10.提升機構 11.出氣煙箱 12.人孔門
主要有前級的電除塵區和后級的布袋除塵區組成。如上圖所示。
2.2電袋復合型除塵器的原理
粉塵在電場中充分荷電除去粗塵,也就是說除去粒徑較大的,剩下荷電不充分但可在電場中被極化進入濾袋除塵,而覆膜濾袋對微細粉塵有很高的除塵效率。因此可以結合各種除塵機理使不同粒徑粉塵達到最佳收集效果。以期讓煙塵達到“零排放”。由此可見,電袋除塵器的關鍵技術在于:
(1)如何確定電除塵和布袋除塵的除塵負荷的合理分擔,實現在同一除塵器內同時滿足電除塵和布袋除塵的運行條件,以保障電袋復合除塵器的高效穩定經濟運行。
(2)如何保證前級電場的高效穩定可靠運行,前級電場的收塵效率對后級布袋的粉塵負荷有很大影響,前級電場收集下越多的粉塵,流到后級布袋的粉塵越少,同時,粉塵荷電越充分,越有利于整臺除塵器的性能改善,并且前級電場高效穩定可靠的運行特性至關重要。
(3)如何優化電場與布袋之間的氣路聯接和氣流分布,實現布袋除塵區各個濾袋流量和粉塵負荷均布的同時,提高布袋過濾風速。
(4)如何有效地降低電袋復合除塵器的系統阻力,研究電袋除塵的高效穩定經濟運行的關鍵技術,包括清灰和溫控等問題。
3.電袋復合型除塵器的技術特點
3.1適合高濃度煙塵除塵
FE型電袋復合式除塵器前級電區具有最強的高效預除塵特點,在處理干法脫硫后高濃度煙塵場合,具有90%的效率,使進入后級袋區的濃度僅為進口的10%。
3.2保證長期高效穩定運行
FE型電袋復合式除塵器的除塵效率不受煤種、煙氣特性、飛灰比電阻等影響,排放濃度可以保持長期高效、穩定。
3.3運行阻力低,濾袋清灰周期時間長,具有節能功效
FE型電袋復合式除塵器濾袋的粉塵負荷量小,以及荷電效應作用(經過電場荷電后的粉塵排列有序且呈蓬松狀態),濾袋形成的粉塵層阻力小,易于清灰,比常規布袋除塵器低500Pa的運行阻力,清灰周期時間是純布袋除塵器4倍以上,降低設備20%的運行能耗。
3.4濾袋使用壽命長、維護費用低
由于濾袋清灰周期的延長,從而清灰次數少,且濾袋粉塵透氣性強、阻力低,濾袋的強度負荷小,從而大大延長濾料使用壽命,降低除塵器的運行、維護費用。
4.影響電袋除塵器性能的主要因素
4.1粉塵特性的影響
粉塵特性有粒徑分布、真密度、粘附性、比電阻等,其中粘附性大到一定值后會阻礙濾袋的清灰性能,增加濾袋初始阻力。
4.2煙氣性質的影響
煙氣主要有溫度、壓力、成分、濕度、流速、含塵濃度等特性,其中溫度和煙氣成分對濾袋的使用壽命影響大,溫度越高、不利濾袋纖維的成分含量越高加快濾袋老化速度,縮短濾袋使用壽命,當超過濾袋耐受溫度時會毀壞濾袋。同時溫度升高加大煙氣體積,提高濾袋過濾風速會增加阻力。PPS濾袋長期運行的適合溫度在160℃以下,煙氣含氧量在8%以下。煙氣濕度大時煙塵表面附著力加大,不利于濾袋清灰。濕度大并要避免除塵器在露點溫度以下運行,以防止結露糊袋。流速、含塵濃度增大時將會增加濾袋阻力。
4.3結構的影響
電極幾何因素影響電區的效率,合理的袋區結構可以避免濾袋的不均勻破損,合理的氣路結構可以降低本體的壓損。電袋兩區之間的氣流分布結構更是影響濾袋的穩定性和阻力特性。
4.4操作因素的影響
電區需要合理設定電壓電流參數,前區需要更大的二次電流以保證預除塵效率,同時要設定合理的振打清灰周期,清灰過于頻繁產生的二次揚塵增加袋區的阻力,并增加振打機構的故障發生率。
袋區需要合理設定清灰制度,滿足運行的前提,清灰壓力低、清灰周期長利于濾袋的使用壽命。
灰斗的及時排灰是保證除塵器穩定運行和安全的重要運行舉措。
5.電袋復合式除塵器改造實施方案
原電除塵器為雙室四電場結構,為節省改造周期和降低改造費用,本方案中保留了一電場和二電場第一分區,利用原有的電除塵器的外殼,在頂部進行適當的改造,在拆除二、三、四電場內的芒刺、極板、振打裝置、高壓硅整流裝置和出口喇叭后,尾部增加部分殼體,采用布袋除塵器的復合結構,陽極振打器全部更換。濾袋采用了進口的防水、防油、防腐、防糊袋、抗氧化,耐高溫190℃以上的PPS+PTFE覆膜結構。在出口集合煙道和原電除塵之間設置旁路煙道,設置必要的扶梯平臺,對原有設備的鋼結構進行適當的補強。具體改造系統圖如下:
![]() |
5.1電袋復合式除塵器的基本參數:
|
5.2 改造后的運行情況和性能試驗
2008年12月7日投入試運行,目前運行穩定,各項指標均在設計范圍之內。
2008年12月24日-25日,委托河南電力試驗研究院對#2爐電袋復合式除塵器改造進行性能測定,具體結果為:
a、漏風率測定
鍋爐額定負荷時A電袋除塵器漏風率為2.32%,B電袋除塵器漏風率為2.31%;A、B兩臺電袋除塵器漏風率實測值均小于設計保證值2.5%。
b、本體阻力測定
試驗所測出電袋除塵器測試斷面阻力不但含有電袋除塵器本體阻力,而且還包括進口、出口煙道各兩個90°彎頭的局部阻力,除去進、出口煙道的局部阻力,才是電袋除塵器的本體阻力。根據計算結果,A電袋除塵器實際阻力為847.0Pa,B電袋除塵器為821.0Pa,電袋除塵器阻力均小于設計保證值850Pa。
c、電袋除塵器效率試驗
A電袋除塵器一電場停運一個供電分區、布袋區全投時,A電袋除塵器除塵效率為99.91%,B電袋除塵器除塵效率為99.91%,均達到設計保證值99.9%的要求。
d、煙塵濃度試驗
從試驗結果看出,在機組負荷350MW,電場在停運一個供電分區及布袋除塵區全投時,A、B電袋除塵器出口煙塵最大排放濃度折算值分別為27.50mg/Nm3HE 25.43mg/Nm3,說明該電袋除塵器出口煙塵排放濃度均小于鍋爐最高允許煙塵排放濃度30mg/Nm3,符合技術協議的要求。試驗測出,A、B兩臺電袋除塵器煙塵排放量平均為31.70kg/h。
該改造工程,對除塵效率提高及降低煙塵排放濃度的指標有明顯的效果,適合燃燒高比電阻煤種的電廠及老機組改造。
5.3 改造后的經濟分析
經初步核算,比對改造前后電除塵器耗電量每年可節約1200萬度,每度電按0.35元/kwh計,每年可節約420萬元,扣除日常維護和備件消耗費用,直接經濟效益在400萬元左右。
另外考慮減少煙塵排放,改善脫硫裝置運行狀況,減少公司煙塵排放費用等,間接經濟效益相當可觀,同時為公司節能減排作出巨大貢獻。
6、設計存在的問題及改進措施
6.1關于電袋除塵器實現在線檢修的設計
為保證某一室濾袋破損時,能夠實現在線檢修,在每一室的煙氣入口均加裝入口電動風門,同時設計有旁路系統便于檢修時煙氣能夠從旁路系統排出,但是關于入口風門的阻力對引風機的影響,在設備選型時要慎重考慮風門結構,盡量能夠對系統阻力影響最小。通常選用百頁窗式電動風門,且風門的葉片體積盡可能小,在實際運行過程中應處于機械鎖定狀態,防止風門誤動關閉導致機組跳閘。另外進行濾袋更換的在線檢修時應做好防護措施,防止人員燙傷、燒傷和呼入有害粉塵。
6.2關于提升閥和旁路閥使用壓縮空氣的改進
原設計提升閥和旁路閥的氣缸用氣取自清灰空壓機,為考慮運行的安全可靠性,防止清灰空壓機跳閘后氣缸用氣失去,導致提升閥和旁路閥誤動,現改進為取自廠用儀用氣系統,且氣源品質有保證,對設備使用壽命也有很大好處。
6.3關于清灰系統設計的建議
原設計電袋除塵器改造后增加兩臺空壓機、一臺冷干機和一個5立方的儲氣罐,根據對有關設備性能的經驗,個人認為冷干機的效果不如吸附式干燥器組和冷干機與干燥器組復合設備,特別是在北方電廠冬季溫度較低,冷干機的露點溫度在0℃以上,經處理的壓縮空氣仍含有一定水分,直接影響氣源品質,容易造成脈沖吹掃設備結凍。因此建議廠家在以后工程中考慮。
7. 結論
電袋復合除塵技術為現役靜電除塵器的改造、新建以及擴建電廠的除塵方式提供了一種經濟有效的方案。另外,還可以應用于建材、冶金等行業的煙氣除塵 。電袋除塵新技術的市場潛能存在于市場中,因有大量老化的電除塵器由于未來的和更嚴格的排放標準,需要被取代或升級改造。
參考文獻
[1] 中國環境科學研究院,國電環境保護研究所.GB13223—2003 火電廠大氣污染物排放標準[S].北京:中國標準出版社,2003.
[2]許昌龍崗發電有限責任公司2號爐除塵器改造工程電袋復合式除塵器技術方案.
[3]中華人民共和國國家環境保護標準,環境保護產品技術要求 電袋復合式除塵器(征求意見稿)

使用微信“掃一掃”功能添加“谷騰環保網”