城市飲用水深度處理工藝
隨著水體污染日益嚴重,新的污染物的增加,以往的飲用水處理技術已經達不到國家所制定的標準,對飲用水的深度處理已經必不可少。目前所廣泛采用的飲用水深度處理技術包括:臭氧-活性碳技術、膜分離技術、生物活性碳技術、吹脫技術。另外還有正處在實驗階段的超聲空化技術和光氧化技術。
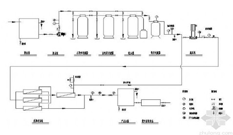
1.臭氧-活性炭技術
臭氧具有強氧化性,最早它是作為飲用水的消毒劑出現的,并且又能去除水中的色度和臭味。隨著水處理技術的發展,通過利用臭氧的強氧化能力,可以破壞有機物的分子結構以達到改變其物質成分的目的。活性炭是一種多孔性物質, 內部具有發達的空隙結構和巨大的比表面積, 活性炭的空隙分為大孔、過渡孔和微孔, 大孔主要分布在活性炭表面, 對有機物的吸附甚微, 過渡孔是水中大分子有機物的吸附場所和小分子有機物進入微孔的通道, 而微孔則是活性炭吸附有機物的主要區域, 微孔構成的比面積占總面積的 95%, 活性炭對有機物的去除受有機物特性的影響, 主要是有機物的極性和分子大小的影響, 同樣大小的有機物, 溶解度愈大, 親水性愈強,活性炭對其吸附性愈差。
O3與活性炭聯合使用,可收到良好的效果。在水處理中使用活性炭,能有效地去除小分子有機物,但對大分子有機物的去除則很有限.如果水中大分子有機物含量較多,會使活性炭的吸附表面加速飽和而得不到充分利用,縮短使用周期.若進水先經O3氧化,使水中大分子有機物分解為小分子狀態,就會提高有機物進入活性炭微孔內部的可能性,充分利用活性炭的吸附表面,延長其使用周期。同時,后續的活性炭又能吸附O3氧化過程中產生的大量中間產物,包括O3無法去除的三氯甲烷及其前驅物,保證了最后出水的化學穩定性。
![]() |
臭氧-活性碳工藝流程圖
![]() |
2.膜分離技術
常用的以壓力為推動力的膜分離技術,有微濾(MF)、超濾(UF)、納濾(NF)以及反滲透(RO)等工藝方法。膜分離技術能夠提供穩定可靠的水質.其分離水中雜質的主要機理是機械篩濾作用,因而出水水質在很大程度上取決于濾膜孔徑的大小。
微濾(MF):又稱精密過濾,其濾膜的孔徑為0.05~5.00μm,操作壓力為0.01~0.2MPa,可以去除微米(10-6m)級的水中雜質.多用于生產高純水時的終端處理,和作為超濾、反滲透或納濾的預處理過程。
超濾(UF):其濾膜的孔徑為5nm~0.1μm,操作壓力為0.1~1.0MPa,可以去除分子量300~3×105的大分子有機物及細菌、病毒、賈第蟲和其它微生物。納濾(NF):介于UF和RO之間,可在較低的壓力(0.5~1.0MPa)下實現較高的水通量,總鹽類去除率在50H~70H左右,尤其對二價離子(如Ca2+、Mg2+等)的去除率可達到90H以上.在凈水處理中適用于硬度和有機物含量較高,且濁度較低的原水,主要是地下水水處理方面.納濾膜本身帶氨基和羧基兩種正負基團,這是它在較低壓力下,仍具有較高脫鹽性能和截留分子量為數百的膜,也可以去除無機鹽的重要原因.因此,納濾膜不僅可以進行水質軟化和適度脫鹽,而且可以去除THMFP、色度、細菌、溶解性有機物和一些金屬離子等.目前,飲用水深度處理中應用較多的,主要為卷式芳香族聚酰胺類復合納濾膜。
反滲透(RO):其膜孔徑僅約為10~11×10-10m,操作壓力為1~10MPa.RO能耗大,但反滲透膜幾乎可以去除水中一切物質,包括各種懸浮物、膠體、溶解性有機物、無機鹽、細菌、微生物等.近年來,反滲透技術已大量應用于飲用水的深度處理上,成為制備純水的主要技術之一。
杭州灣新區水廠是設計上首次將超濾膜和反滲透膜即“雙膜法”應用于市政水處理的工程。
![]() |
膜分離過程
![]() |
優點:與常規飲用水處理工藝相比,膜技術具有少投入甚至不投入化學藥劑、占地面積小、便于實現自動化等優點,并已大量應用到城鎮自來水的深度處理上。
膜分離設備:
|
GRT-DP-5TPH雙級反滲透純凈水生產線
單級反滲透工藝流程圖
![]() |
3.生物活性碳技術
生物活性炭吸附技術是隨著活性炭在飲用水處理中的大量使用而出現的.生物活性炭技術的本質是使活性炭表面附著一定量的生物以達到去除水中污染物的目的.生物活性炭對有機物的作用機理,可以看作是物理吸附和生物降解的組合.吸附飽和的生物活性炭在不需要再生的情況下,可利用其生物降解能力,繼續發揮控制污染物的作用,這一點正是其它方法所不具備的。采用生物活性碳技術后,與原先單獨使用活性碳吸附工藝相比,出水水質得到提高,也增加了水中溶解性有機物的去除,從而降低了氯化時的Cl2投加量,降低了CHCl3的生成量,而且延長了活性碳的再生周期,減少運行費用.該技術進行飲用水深度處理時,通常的前提條件是,避免預氯化處理,否則微生物不能在活性碳上生長,也就失去了生物活性碳的生物氧化作用。
4.吹脫技術
吹脫技術是使水作為不連續相與空氣接觸,利用水中溶解化合物的實際濃度與平衡濃度之間的差異,將揮發性組分不斷由液相擴散到氣相中,達到去除揮發性有機物的目的。但對難揮發性有機物去除效果很差.吹脫法過去主要用于去除水中溶解的CO2、H2S、NH3等氣體,同時增加溶解氧,來氧化水中的金屬。直到70年代中期,該技術才開始用于去除水中低濃度揮發性的有機物。在飲用水深度處理中,吹脫法費用低,是采用活性碳達到同樣去除效果所需運行費用的1/2~1/4。因此,美國環境保護協會(USEPA)指定其為去除揮發性有機物最可行的技術(BAT).
5.超聲空化技術
頻率在 20kHz 以上的超聲波輻射溶液會引起許多化學變化, 稱為超聲空化效應。, 降解有機物的途徑主要為: 熱解、自由基氧化、超臨界水氧化和機械剪切作用。當足夠強度的超聲波輻射溶液時, 在聲波負壓相內, 空化泡形成長大, 而在隨后的聲波正壓相中, 氣泡被壓縮, 空化泡在經歷一次或數次循環后達到一不平衡狀態,受壓迅速崩潰, 產生瞬時高溫( >5 000K) 和高壓( >20MPa), 即所謂的“熱點”。空化泡中的水蒸氣在這種極端環境中發生分裂及鏈式反應, 產生氧化活性相當強的氫氧自由基和過氧化氫, 并伴有強大的沖擊波和射流。親水性、難揮發的有機物在空化泡氣液界面或本體溶液中與?OH、?OOH 發生氧化反應, 而疏水性、易揮發有機物除發生氧化反應外, 直接進入空化泡發生熱解反應。研究表明, 超聲空化對脂肪烴、鹵代烴、酚、芳香族類、醇、天然有機物、農藥等均有較好的降解, 超聲頻率、聲強、飽和氣體性質、污染物性質濃度、溫度均會影響降解效果。
除臭、除味歷來是飲用水處理的核心問題之一,夏季是藻類爆發的高發季節, 藍綠藻在生長過程中會產生致臭副產物- 土臭素、2- 甲基異冰片等, 常規處理對其不能有效去除, 嚴重影響飲用水質,640 kHz 的超聲輻射 40 min 后土臭素和 2- 甲基異冰片能達到 90%的去除, 主要降解機理為熱解作用。超聲波還有很好的殺菌作用, 空化效應產生的剪切力加上自由基的攻擊能引起細胞膜的損傷, 破壞細胞膜的滲透性, 氧化胞內物質以滅活生物。
超聲技術是很有潛力的一種深度凈化工藝, 但目前的研究還僅停留在實驗室研究階段, 大都集中在對單一組分、小水量的研究, 且多為間歇運行, 多組分連續運行工藝將是今后研究的重點。
![]() |
6.光氧化技術
光氧化技術是利用在可見光或紫外光照射作用下,進行復雜反應以深度處理飲用水的技術。.該技術的特點是具有極強的氧化能力,有機物去除效率高,對水中有機優先控制污染物也能有效進行分解。.目前該技術還處于實驗室和中試階段.光氧化技術,目前試驗較多的有光激發氧化技術和光催化氧化技術。
光激發氧化技術是以O3、H2O2、O2和空氣等作為氧化劑,將氧化劑的氧化作用和光化學輻射相結合,可產生氧化能力很強的自由基OH,其氧化效果要比單獨使用UV或O3好得多.比較有實用意義且研究較多的有UV+ H2O2和UV+O3工藝.UV+H2O2工藝能有效分解ClHC=CCl2、CHCl3、C6H6、C6H5Cl、C6H4OHCl等有機物,氧化速度隨紫外光強度和H2O2濃度的提高而增加.鑒于H2O2投加量過大影響經濟成本等因素,促使人們進一步考慮O3作為氧化劑時的處理效果.O3雖是強氧化劑,但單獨使用時對水中難降解有機物,如有機氯化物及三致物質等并無去除效果.UV+O3聯用工藝能很好彌補這種不足.經UV輻射作用,光化學作用分解O3生成OH基,能有效分解水中有機優先控制污染物且沒有選擇性.
光催化氧化技術,是在水中加入一定數量的半導體催化劑(如TiO2、WO3、Fe2O3及CdS等),在UV輻射下產生強氧化能力的自由基,氧化水中的有機物。利用光催化氧化技術對CHCl3、CCl4等9種飲用水中常見優先控制污染物去除效果的試驗過程中發現,該技術對這些有機優先控制污染物有很強的氧化能力,能有效地予以分解和去除.研究還指出,飲用水光催化氧化處理時,耗氧速度不高、光催化氧化的反應速率受水溫變化影響較小、pH值變化對催化劑活性沒有影響,使得在飲用水處理中無需調整pH值等。中科院廣州能源研究所水氣治理實驗室,利用的光催化氧化法,以一種半導體材料為催化劑,利用其在紫外光照射下產生強氧化劑,將水中微量有毒物質、特別是可對人體產生三致(致癌、致突變、致畸變)的物質徹底氧化成水和二氧化碳,還能殺滅細菌。
研究認為,在合適的反應條件下,有機物經光催化氧化的最終產物是CO2和H2O等無機物。該處理方法具有強氧化性、對分解作用對象無選擇性及最終可使有機物完全礦化等特點,在飲用水深度處理中具有明顯的優越性.但光催化氧化法的處理費用高,設備復雜,在經濟上還只限于小水量規模的處理.同時也認識到,光催化氧化法投入實際工程應用所面臨的主要問題,是確定長期運行過程中催化劑的中毒情況,以及尋求理想的再生方法,和處理裝置難實現簡捷、小型化等.這方面的研究將是今后的重點。
除了這些工藝之外,還出現了許多適合家用,可進行末端處理的工藝和產品。首先應用最廣的是活性碳過濾,如德國世保康公司生產的精密過濾器,上海千川凈水設備公司生產的凈水器系列均使用此技術。其次是反滲透技術和中空纖維超濾技術。韓國熊津與我國昆明美加公司分別采用了這兩種技術。

使用微信“掃一掃”功能添加“谷騰環保網”