太原市婦幼保健院A/O生化處理工藝處理廢水
一、概述
太原市婦幼保健院,位于太原市中心,屬環境敏感區,該院醫療廢水在院區處理后排入城市下水管網,最終進入XX市第一污水處理廠。醫院廢水污染物濃度較高,且具有相對毒性,污染周圍環境,影響地表水質,危害人體健康。目前該院產科綜合大樓項目基本建成,根據新的《醫療機構水污染排放標準》(GB18446—2005)和《醫院污水處理技術指南》中的要求,為保證醫院廢水長期穩定達標排放,本方案采用兩級處理+消毒工藝。處理后的排放廢水必須達到《醫療機構水污染排放標準》(GB18446—2005)。
二、設計依據
1、污水量:
根據業主提供參數,目前排放水量:80t/d,還需預留今后發展要求,則本方案設計
排放水量:120t/d,平均時流量:Q=5m3/h。
2、污水水質:
參考建筑中水設計規范:
項目CODCrBOD5SS植物油氨氮pH
指標300—360mg/l250mg/l200mg/l100mg/l25mg/l7—9
3、根據《醫療機構水污染排放標準》(GB18446—2005)。
項目CODCrBOD5SS植物油氨氮石油類總余氯pH
指標≤60mg/l≤20mg/l≤20mg/l5mg/l15mg/l5mg/l0.5mg/l6—9
說明:糞大腸菌群數:500MPN/L,腸道致病菌、腸道病毒均不得檢出。
4、消毒劑采用二氧化氯:
二氧化氯投加量:20mg/l
平均時投氯量:G1=20×5=100g/h=2400g/d
5、有關設計規范及標準:
(1)建筑給水排水設計規范(GBJ15—88)
(2)建筑中水設計規范(CECS30:90)
(3)室外排水設計規范(GBJ14—87)
(4)《醫院污水處理技術指南》
(5)國家有關給水排水設計規范及污水處理工程建設項目有關技術規范
三、設計原則
1、采用先進、成熟、節能的工藝及設備,處理后排放水達到《醫療機構水污染排放標準》(GB18446—2005);
2、整個流程采用一級提升,降低運行費用;
3、處理裝置采用自動化控制系統,降低工人勞動強度;
4、處理裝置不產生二次污染;
5、選用技術先進、質量穩定可靠的設備,以保證處理設施正常運行。
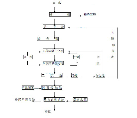
四、工藝流程
![]() |
五、工藝特點
所選用污水處理設備去除有機污染物及氨氮主要依賴于設備中的加藥沉淀和A/O生化處理工藝。
1、A段缺氧生化池(即缺氧反應器)的首要功能是脫氮,由O段好氧生化池(即好氧反應器)回流內循環液,內循環量為4—6倍原廢水量。
2、O段好氧生化池(即好氧反應器)是多功能的,主要去除BOD、硝化和吸收部分殘余磷等反應。
3、二沉池的主要功能是泥水分離,上清液作為處理水經消毒后排放;污泥排入污泥池。
4、在生化池中采用了彈性立體填料,它具有實際比表面積大,微生物掛膜、脫膜方便,填料的彈性絲能剪切水中氣泡,使氣泡變得更微小,能提高空氣中的氧在水中的溶解度。
5、由于在A/O生物處理工藝中采用了生物接觸氧化池,其填料的體積負荷比較低,微生物處于自身氧化階段,因此產泥量較少。此外,生物接觸氧化池所產生污泥的含水率遠
遠低于活性污泥池所產生的污泥的含水率。因此,污水經處理后產生的污泥量較少。
六、設施特點
1、選用的廢水生化處理設施,采用鋼筋混凝土結構,地表以下,地表作綠化用地,因此該設施不占地表面積,更不需采暖保溫。
2、該設備無惡臭氣味揮發,不污染環境。
3、處理設施頂部設檢修孔,內部預留檢修通道,設檢修梯。
4、該設施選用的風機,采用了常規的鼓風機消音措施(如隔振墊、消音器等),運轉時噪音低,不影響周圍環境。
5、該設施配套全自動電器控制系統及設備故障、損壞報警系統,設備可靠性好,只需每月或每季度的維護與保養。
七、流程說明及設計參數
1、格柵:
廢水在化糞池收集后進入調節池前端的格柵井,攔截去除粗大漂浮物及懸浮物,對水泵機組及后續處理構筑物具有重要保護作用。
格柵選用不銹鋼材質,1臺,柵寬為B=300mm,柵隙為10mm。柵渣定期由人工清撈,送垃圾站。污水自流入調節池。
2、調節池:
污水的水質、水量隨時間能波動,調節池起收集污水、均衡水量、均勻水質的作用,不得滲漏,池內壁應采取防腐措施。
調節池內凈尺寸:3.5m×3.0m×4.0m,1只。有效容積30m3,污水停留時間為HRT=6小時。在調節池內,由于污水中存活著大量細菌,這些細菌已經適應原污水水質,并且不斷地進行增殖、適應、淘汰、優選等過程,對污染物質有著很強的吸附、降解能力。調節池就是充分利用這些微生物的活性,人工強化其生長環境,達到快速降解、吸附污染物的目的。調節池對進水水質的沖擊特別是有毒有害物質起到較好的緩沖作用。調節池內設2臺潛污泵,一用一備。水泵型號:AS10—2CB,流量Q=10m3/h,揚程H=7.0米,功率N=1.1Kw。調節水泵流量,控制流量不超過5m3/h,將污水提升送入廢水處理設施。
廢水處理設施共有七個部分組成:
(1)A段缺氧生化池、
(2)O段好氧生化池、
(3)二沉池、
(4)消毒池、
(5)污泥池、
(6)風機房、風機、
(7)風機、水泵配電控制裝置。消毒裝置設在地面輔房內。
3、A段缺氧生化池(缺氧段):
鋼筋混凝土結構,內凈尺寸:1.0m×3.0m×4.0m,1只。有效深度3.5m,有效容積為10m3,污水停留時間HRT=2小時。填料選用彈性立體填料。A段缺氧生化池(即缺氧反應器)的主要是脫氮,由O段好氧生化池(即好氧反應器)內循環回流<200%原廢水量的回流液。池內設穿孔管,由風機向水中間歇充氣攪拌,保持缺氧狀態。
4、O段好氧生化池:
鋼筋混凝土結構,內凈尺寸:4.0m×3.0m×4.0m,1只。有效容積為40m3,污水總停留時間HRT=8小時。池中安裝高彈性掛膜填料,易結膜,不堵塞,不結球。池底安裝穿孔曝氣管,能耗低,不堵塞,曝氣均勻,氣泡微小,氧氣轉化利用率高。由兩臺回轉式風機輪換向池中充氧,池內充氧條件良好,溶解氧控制在2.5mg/l以上。O段好氧生化池主要是去除BOD、吸收磷,并在硝化菌的作用下,氨態氮進一步分解、氧化成硝態池內設一套污泥氣提裝置,將懸濁液MLSS作為內循環液回流用,回流比為200%,內循環液回流至缺氧反應池。出水自流入二沉池。
5、二沉池:
采用豎流式沉淀池,鋼筋混凝土結構,內凈尺寸:2.5m×2.3m×4.0m,1只。有效水深3.0m,總有效容積為8m3,污水停留時間HRT=1.5小時。設計水力表面負荷為1.0m3/m2·h,上升流速為0.28mm/s。二沉池底部污泥由一套污泥氣提裝置,定期將污泥抽入污泥池進行好氧穩定消化。污水由二沉池上部周邊集水槽收集后自流入消毒池殺菌處理。
6、污泥池:
鋼筋混凝土結構,內凈尺寸:2.5m×0.5m×4.0m,1只。有效水深3.7m,,有效容積為4.5m3。污泥池內設擋板及溢流管,污泥沉入池底部,上清液溢流至調節池;池底部設一組穿孔曝氣管,由風機間歇充氣攪拌,對污泥進行好氧穩定。一般定期每年一次由環衛車將污泥抽走外運處理。
7、消毒裝置、消毒池:
鋼筋混凝土結構,內凈尺寸:1.8m×1.6m×4.0m,1只。有效水深3.3m,有效容積為10m3,污水停留時間HRT=2小時。消毒裝置采用化學法二氧化氯發生器,安裝在設備房內消毒池內設導流墻,避免污水短路。二氧化氯投加量:20mg/l,計2400g/d。污水經消毒后自流入重力式砂濾池。
8、重力式砂濾池:
鋼筋混凝土結構,內凈尺寸:1.0m×1.6m×4.0m,1只。池內鋪設石英砂濾層,廢水經重力自流過濾后即可達標排放,出水標高為-0.900。重力式砂濾池必須定期反沖洗,利設置在地面輔房內的反沖洗水泵進行反洗,反洗水采用濾后出水或自來水都可以,水泵型號:IS80-50-200,流量Q=50m3/h,揚程H=50m,功率N=15KW。
9、風機房、風機:
風機房由業主提供設備輔房,內設回轉式風機HF—501S型2臺,1用1備。風量:QS=1.36m3/min,功率:N=2.2Kw,排出壓力⊿P=40KPa。風機為生化池鼓風曝氣。風機房內進、出風口設消聲器,能大大降低風機運行時的噪聲。
10、電氣控制系統:
污水處理站所有動力設備的電器控制,均由輔房內控制柜集中控制,以便于操作。整個污水處理設備由可編程控制器(簡稱PLC)集中管理,操作系統分手動和自動兩種工作方式。在PLC作用下:調節池內設置液位控制器。提升水泵在液位控制器控制下自動工作,高液位啟動,低液位停止。曝氣風機在工況要求下自動工作。動力設備一旦出現故障,PLC均能將工作狀況自動切換到備用設備,以保證工況的持續,PLC并能給出故障設備的故障信號。主要電器元件均選用國內名牌產品(正泰)。可編程控制器選用臺灣原裝產品。

使用微信“掃一掃”功能添加“谷騰環保網”