立體網狀填料的特性與應用
摘要:填料是污水處理工藝中常用的生物膜載體,其性能好壞直接關系到污水處理的效果與成本,本文 著重介紹了整體安裝型立體網狀填料的性能,并與其它型填料進行比較,列出了試驗及實際運行參數,供 使用中參考。
關鍵詞:立體網狀填料;特性;應用
1概述
在活性污泥法污水處理中,最大的問題是具有良好沉降性的活性污泥之維護管理問題。為了使池內水中活性污泥的濃度>2100mg/L以上,大多數污水處理工藝中都選擇污泥回流方式,回流量為50%~100%,此種方式無疑都消耗了很大能量。盡管如此,活性污泥的膨脹和流失仍時有發生,污泥隨水排出,從而導致處理水質惡化。為了解決這一問題,長久以來人們就試圖把液體中的浮游微生物(活性污泥)固定下來,固定載體(填料)隨著時代的發展、科學的進步也在不停地改進。從載體的結構特征以及演變過程,可以分成以下幾類:
1.1固定型填料
這是最早期的載體,在被處理的水體中載體處于固定不動狀態。例如樹枝、竹條、卵石、爐渣、重質陶粒等。有的由于堆積密度大,孔隙率小,易堵塞,清洗不便;有的比表面積小,掛膜量少。此種填料目前用量不多,僅在特殊的生物濾池中尚有使用。
1.2懸浮型填料
為了使載體的堆積密度小,比表面積大,易于清理,開發出了在被處理的水體中處于懸浮、流化狀態的填料,以球形和短柱形居多。例如:多面球、齒面球、絲狀球、桑德球、泡沫球、輕質陶粒、鮑爾環等等。這些填料的共同優點是結構簡單,比表面積大,填充率一般為70%左右。懸浮球在水中上下左右滾動,不易堵塞,能使氣、水和生物膜得到充分的混滲接觸交換,且使生物膜有良好的新陳代謝和不粘連、不結團。但在運行中最大的缺點是懸浮球被空氣吹浮的過程中往往擠成一堆,很難作到填料在池中均勻地懸浮。這樣池內形成了許多死角,造成厭氧狀態,生物膜變黑,不利于污水的硝化反應。設計中想用繩網將池分成小格,限制懸浮球亂跑,但實際應用中繩網安裝制作均有困難,尚未見到成功范例。
1.3懸掛型填料
指安裝時把填料兩端分別拴扎在各種類型支架上使用的填料,例如軟性填料、半軟性填料、組合填料、彈性立體填料、自由擺動填料等。由于其結構簡單、造價低、比表面積大,不易堵塞,耐沖擊負荷等優點,幾乎占領了目前絕大部分的污水生物處理填料市場。但是這些填料最大的問題是填料支架的腐蝕倒塌、填料中心繩的互撓斷裂以及無法入池維修造成填料報廢。市場上出售的產品如半軟性填料的模片厚度,由最初的2mm改為現在的0.34mm,強度很弱,掛膜后彎曲下垂。中心繩在掛膜后彈性伸長,使得串片在鼓風吹動下擺動且纏繞在一起。原生產配套的鋼支架、塑鋼支架由于價位高,許多廠商改成一根鋼筋或一根尼龍繩拉拽,一旦掛膜后,中心繩的撓曲更大,更促進了串片的纏繞直到斷繩。
1.4整體型填料
指填料已加工成足夠大的棱柱體,安裝和檢修時只需整體放入或取出的填料。這一類有蜂窩斜管、蜂窩直管、波紋板、立體網狀填料等。其共同的優點是比表面積大,安裝檢修方便,不易堵塞,使用壽命長等。對于斜管、斜板等由于其表面光滑,生物膜易脫落,不易坐床,因此使用很少,多作為給水沉淀或循環水冷卻降溫用。而立體網狀填料由于其特殊的結構,它的生物膜附著量特別大,且無短路區,是處理效果極佳的整體型填料。
2立體網狀填料的特性
2.1結構特征
立體網狀填料材質以聚丙烯高分子聚合物為主,并添加疏水性、親水性、阻燃性、耐熱性、抗凍性、抗老化性等不同助劑,以適應各種性質的污水和不同處理工藝的要求。填料的結構是將合成樹脂加熱溶融后,由噴絲頭噴出,使絲條在不規則的旋轉運動中重疊堆積,并將其相互交接點在冷卻時融接成整體型立體網狀結構。由于聚丙烯類合成樹脂質量輕,且具有較高的機械強度,在水中不會變形。又因其不含可塑劑,故在水中不會分解或溶出有害物質。填料的形狀可為棱柱體、圓柱體或扁平體,視不同需求而定。
2.2物理特征
根據纖維密度不同,填料孔隙率為95%~98%,纖維絲徑Ф0.8mm~Ф1.5mm,纖維密度0.9~0.92g/cm3。填料容重隨形狀和空隙率不同而異,一般為9~20kg/m3。填料抗壓強度較高,在水處理條件下一般不會變形,最大載荷400kg/m2條件下壓縮變形不超過8%,且為彈性變形。適應溫度范圍為5℃~40℃,若溫度在0℃以下時,填料硬度較大變脆,抗沖擊性能差,必須加入特殊的添加劑,因此一般不用于冷凍水處理中。
2.3生物處理特征
(1)填料掛膜量:立體網狀填料的結構為一種絲條多重交插的螺旋結構,污水在填料中呈三維流動狀態,它必然成為最適宜微生物附著繁衍的溫床。根據清華大學水污染控制實驗室、中國地質大學水資源與環境工程實驗室以及工程使用后實測數據,填料的掛膜量為:
好氧生物膜:190kg/m3~316kg/m3
厭氧生物膜:80.4kg/m3~133.1 kg/m3
(2)填料的容積負荷及處理效果
①在內循環接觸氧化條件下,填料容積負荷4.43kgCOD/m3·d時,COD去除率31.5%~43.2%。
②在折流板厭氧反應器中,進水COD=300~900mg/L,污泥負荷為0.06~0.18kgCOD/kgMLSS·d,厭氧COD去除率為60%~75%,產甲烷率可達250~300mlCH4/gvss·d。
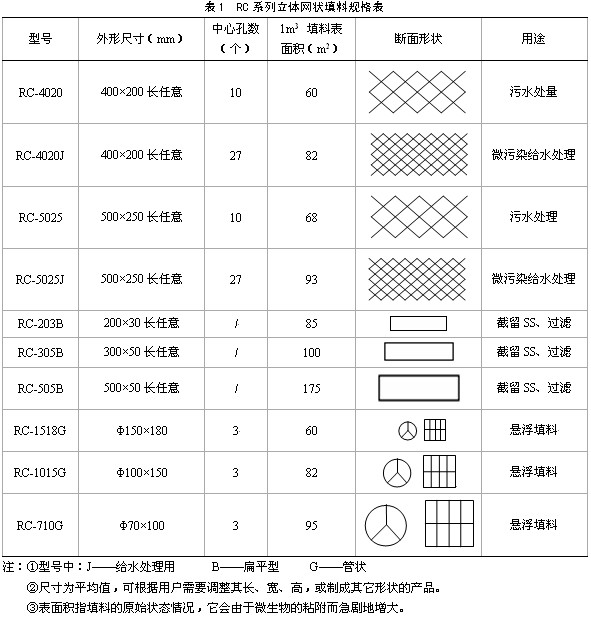
2.4填料的產品規格
3填料的技術經濟比較
3.1技術經濟比較表
現列舉幾種填料,將其性能比較列于表2中。
TSE型蜂窩直管邊距為35~50 mm;
TX型懸浮填料為Ф50×50mm柱狀;
TQ型球形填料為Ф50mm~Ф150mm,球內填塑料絲;
SQC型絲狀球形填料為Ф150mm,球內有中心繩,其上裝有橫向絲條;
TA—II型彈性立體填料為片式,截面呈X型,是改進后的原YDT型立體填料;
TP型半軟性填料為串片式;
TH型組合填料為半軟性填料與纖維軟性填料組合而成。
懸掛型支架為TK型全塑框式。
由于有些填料未能取得相關的測試數據,表2中僅列出了一部分性能參數。
3.2對比分析
(1)從結構特點分析:RC型立體網狀填料由于其交插螺旋網狀特點,可使污水,空氣和生物膜得到充分混滲接觸交換,生物膜不僅能大量地在絲條上均勻坐床,保持良好的活性和孔隙可變性,而且在運行過程中氣體在三維流動的污水帶動下,互相碰撞并被螺旋網不斷切割成更小的氣泡,增加了氧的利用率,可減少曝氣量,同時可使生物膜有良好的新陳代謝作用,不致粘連結團,因此它具有氣泡切割能力強、空間體積利用率大、無死區等特點,是當前污水處理中性能指標較好的填料。
(2)從安裝方式上與懸掛型填料比較:立體網狀填料安裝方便,只需將其放在底部的格柵支架上,不需固定,裝取都為整體式。并可隨著水的性質與濃度及好氧、兼氧、厭氧等工藝不同,而采用相應的不同材質與形狀的填料,充填率只需30%~40%。懸掛填料必須上下固定或裝入籠形框架內,安裝和取出十分不方便,填料與支架的摩擦以及被風吹動后中心繩擺動互相纏繞,致使其斷裂倒塌,這是至今懸掛型填料刻意要求解決的問題。因此其壽命短,要求更新快,填充率一般為100%,故運行更新費用高工作量大。
(3)與懸浮型填料相比:立體網狀填料不需用繩網攔截和分割池體,填充體積約為懸浮型填料的1/2,因此造價低。更重要的是TQ型球形填料因其內部填入一團塑料絲或塑料條,比表面積大,掛膜快且多。但已生成的生物膜不易從球內部脫落出來,致使老化生物膜堵死在球內,產生厭氧狀態。SQC型絲狀球解決了生物膜脫落問題,但因其為輻射狀的直線絲條定位在繩索上,絲條之間并末粘連,不僅掛膜量少,而且掛膜困難。另外懸浮填料共同的特點是易被鼓風吹起而堆積到一處形成死水區。取出時需用爪籬將數量眾多的球體撈出,工作量大。特別在埋地式設備中,很難從入孔中取出。
(4)經濟比較:立體網狀填料由于其填充率小,支架簡單,故單位池容積填料及支架總費用僅l00~150元/m3池容積,是其它填料價的l/2~l/3。因此立體網狀填料是集中了懸浮及懸掛型的優點,而克服了其缺點的新型填料。
4安裝與應用
4.1填料的應用范圍
(1)用于各種污水的接觸氧化二級處理或三級處理,容積負荷可在0.15~4.0kgBOD/m3 ·d,可獲得良好且穩定的處理水質。
(2)用于污水處理的水解池,厭氧生物濾池和復合厭氧反應器中,作為兼氧菌或厭氧菌的固定生物床。
(3)用于微污染給水生物處理中的固定生物床,去除有機物,利于后續的常規處理工藝。
(4)用于污水的深度處理,容積負荷0.15kgBOD/m3·d,進水BOD<15mg/L,處理后出水BOD<3mg/L,可作為回用水。
(5)用于流動床生物濾池的懸浮填料 (采用圓柱形)。
4.2安裝注意事項
(1)空氣量:接觸氧化設計中空氣量可按去除每kgBOD需注入空氣70~90Nm3計算,也可按水氣比為1:8~1:12計算。運行中需維持曝氣池中溶解氧濃度為DO=2.5~4.0mg/L即可。
(2)在曝氣池內由于水中有浮力作用,填料能在格柵支架上保持穩定,但是若將池內之水放空時,由于每m3填料上附著有約300kg的生污泥,為了不致將荷載全部加在填料上,引起填料彎曲或格柵支架變形等事故,需在放空污水的同時,用壓力水沖洗填料,使粘附其上的生污泥隨水排出。
(3)填料的適用水溫為5℃~40℃,在其范圍內材料有非常強韌的特性,不會變形。但在5℃以下工作時,由于其硬度增加,抗沖擊性能變差,需選擇有抗冷脆性添加劑的材料。另外長年在室外直射的日光曝曬下,填料會因紫外線而引起老化,致使強度降低。如必須在室外曝曬下使用,需特別注明使用耐氣候、防老化型產品。一般填料應貯存在有遮陽蓬的堆場上,防止長期日曬,且避免冰凍。
(4)填料進行掛膜時,一般需往池內接種一部分活性污泥,或適當增加水體的營養物含量,以利加快掛膜速度。在18℃~20℃條件下,可按接觸氧化池總容積的l%~2%接種活性污泥進行細菌培養。開始運行時經1d的悶曝后,再逐漸進水運轉。在最初的5~7d內,需將空氣量控制在1/2左右,這樣可使微生物在立體網狀填料表面很好地坐床,并粘附繁殖起來,肉眼可見填料表面有白色菌團粘附,此時方可按正常情況曝氣。若一開始就采用高強度曝氣,會使生物膜的附著和增殖減慢,且需要較長的穩定時間。
(5)若因生物膜量過大或由于SS過多且粘附在生物膜上,致使填料有堵塞時,只需用壓力水(P:0.3Mpa)將中心孔沖洗,很快可清通。填料中止使用時,可用水沖洗填料,而后浸泡于水池中,勿使陽光強烈曝曬,更不可使池水冰凍,而影響填料的使用壽命。

使用微信“掃一掃”功能添加“谷騰環保網”